您当前的位置: 首页> 产品信息> 光源和探测>半导体激光器>高灵敏度1270nm蝶形SOA

高灵敏度1270nm蝶形SOA

  • 高灵敏度1270nm蝶形SOA

    格物光学的半导体光放大器(SOA)系列产品主要应用于PON放大、数据中心互联等光通信领域。该系列产品采用密封的无机封装技术,保证了产品的可靠性。


    半导体激光器/格物2-1270半导体光放大JSA-BT2710G18_V1.1_202308121.jpg

                                               产品手册:产品手册.png

     特性

     · 低噪声、高灵敏度,可满足PON上行业务放大需求

     · 低功耗、高线性度,可满足数据中心互联高速业务大需求

     · 全国产化产品,交付及时

     · 定制化服务:可支持保偏、集成隔离器、集成PD光功率监控等更高集成度的器件订制


        应用

        · XGPON/XGSPON/Combo PON光放大


    典型特性




    image.png
    image.png


    产品规格(芯片温度@25℃)

      参数符号工作条件最小值典型值最大值单位
      工作波长λT=25°C121012701330nm
      带宽λ@-3dB60--nm
      小信号增益G

    If=120m

    APin=-20dBm

    -18-dB
      饱和光功率Psat

    If=120mA

    Pin=0dBm

    9--dBm

      饱和光功率

      (保偏型器件)

    Psat

    If=120mA

    Pin=0dBm

    7--dBm

      偏振消光比

    (保偏器件)

    Per-20--dB
      偏振相关增益PDG--0.31.0dB
      噪声系数NF--78dB
      灵敏度@100G

    100G LR QSFP28

    SOA误码测试


    -12.5
    dBm
      灵敏度@10G
    XGSPON 1270上行--35-dBm
      工作电流If--120250mA
      正向电压Vf---1.8V
      TEC电流ITEC---1.8A
      TEC电压VTEC---3.4V
      热敏电阻阻值RthermT=25°C9.51010.5
      热敏电阻电流Itherm--40-5mA
      气密性
    T=25°C1*10-121*10-111*10-8Pa.m3/s。
      工作温度TCI=Iop-10-70°C
      存储温度Tstg--40-85°C

    注1:气密性数值为管壳封装数值,排除管壳外部残留干扰测试得出。


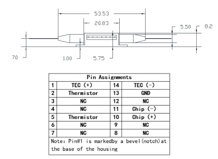
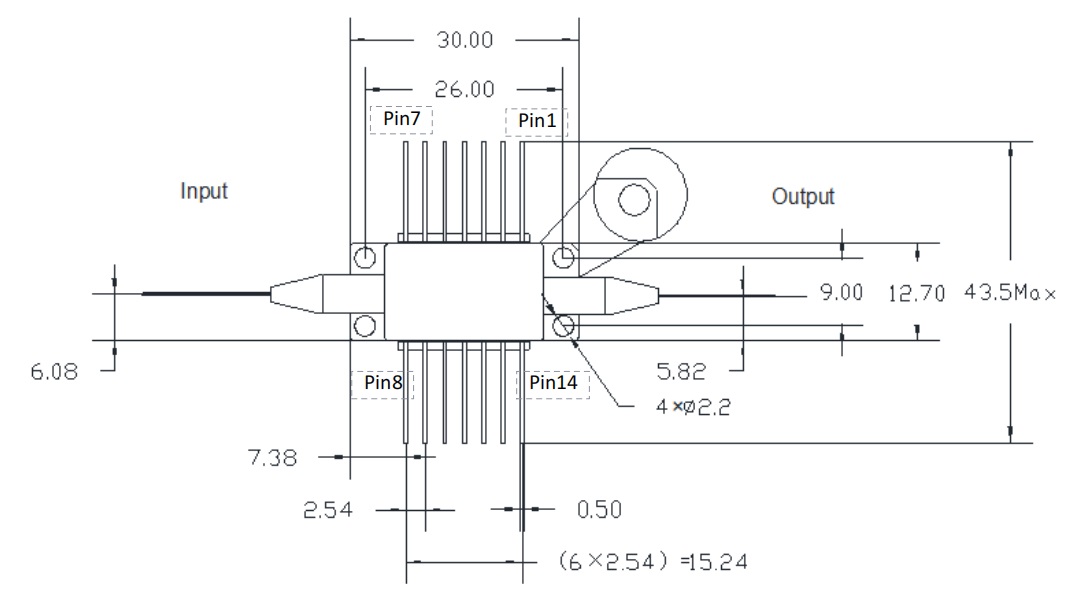
    结构尺寸和管脚定义




    格物高灵敏1270nm蝶形SOA结构.png
    格物高灵敏1270nm蝶形SOA管脚.png




    订购信息

    订货信息产品描述量产阶段
    JSA-BT2710G181270nm-9dBm-18dB-蝶形SOA量产
    JSA-BT2710G18-PM1270nm-7dBm-18dB-保偏蝶形SOA样品




0件产品 加入对比
产品图片 产品型号 图纸和规格 操作

请联系我们获取更多信息

  • 资料索取

  • 价格咨询

  • 产品货期

  • 产品定制

  • 演示申请

  • 样品申请

  • 技术支持

  • 其他